服务热线
180-5003-0233

1.本实用新型涉及锂电池制造技术领域,具体涉及一种锂电池隔膜分切压辊装置。
背景技术:
2.锂离子电池隔膜是锂离子电池中的主要组件,其主要作用是使电池的正、负极分隔开来,防止两极接触而短路,此外还具有能使电解质离子通过的功能。在现有的锂离子电池制造过程中,采用的隔膜基本是由供应商购买隔膜厂家母卷,需要将隔膜基材根据需要裁切出所需宽度,再将裁切后的隔膜条卷成隔膜料卷,方便后期制备电芯。
3.目前,公告号为cn212245595u的中国实用新型专利公开了一种隔膜午夜免费福利,包括纠偏辊、过辊、分切组件、贴胶带组件、胶辊组件以及相对设置的两分切侧立板,纠偏辊、过辊及分切组件均设置在两个分切侧立板之间,隔膜经纠偏辊和过辊后进入分切组件内实现分切。
4.但是该专利的不足之处在于:上述方案无法对隔膜进行压紧,在分切隔膜后,隔膜在卷筒上卷成隔膜料卷,此时隔膜卷在卷绕的时候就会容易产生翘边、印痕、斜皱等不良影响,破坏隔膜的平整度,降低了分切产品的质量。
技术实现要素:
5.本实用新型的目的在于提供一种锂电池隔膜分切压辊装置,以解决上述背景技术中提出的问题。
6.为实现上述目的,本实用新型提供如下技术方案:
7.一种锂电池隔膜分切压辊装置,包括机体和水平安装在机体上的支撑辊一和支撑辊二,其中支撑辊二活动安装在机体上,即支撑辊二可在机体上转动,且支撑辊一上套设有至少一个连接部,每个连接部上又通过收卷臂可拆卸安装有隔膜卷,其中隔膜卷也为转动连接,当隔膜卷转动的时候,能够将分切后的隔膜卷绕在隔膜卷上;
8.还包括有至少一组压辊件,所述压辊件用于压合所述隔膜卷,当压辊件接触到隔膜卷的时候,可对隔膜卷上的隔膜进行压合,防止翘边,但同时不会影响隔膜正常卷绕;所述压辊件又包括有用来压合隔膜卷的压平组件、调节压平组件位置的调节件和开关磁铁座;所述开关磁铁座磁力安装在连接部上;所述调节件的一端与开关磁铁座安装,其中开关磁铁座选用pdok强力开关磁铁座,另一端与压平组件安装。
9.作为本实用新型进一步的方案:所述支撑辊一包含有两组,其中两组支撑辊一对称式安装在支撑辊二的两侧;每组所述支撑辊一上均安装至少一组连接部,且每组连接部上均安装有至少一组压辊件;位于不同支撑辊一上的压辊件交错设置。
10.作为本实用新型进一步的方案:所述调节件又包含有支撑杆一、支撑杆二和用来调节支撑杆一和支撑杆二之间角度的旋钮,即使用旋钮可对支撑杆一和支撑杆二之间的角度进行调解,进而对支撑杆一一端连接的压平组件位置进行调解,所述支撑杆一一端与磁铁活动连接,另一端通过旋钮与所述支撑杆二的一端转动连接;所述支撑杆二的另一端与开关磁铁座活动连接。
11.作为本实用新型进一步的方案:所述压平组件将隔膜卷压在所述支撑辊二的外弧形面上。
12.作为本实用新型进一步的方案:所述压平组件包含有压平辊外框架、压平辊和磁铁,所述压平辊外框架的剖面正投影呈“凹”型状结构,所述压平辊通过其两端水平活动连接在压平辊外框架的内凹部;所述压平辊外框架的底部还通过磁铁与调节件中的支撑杆一活动连接。
13.作为本实用新型进一步的方案:所述压平辊的长度大于隔膜卷的长度,即压平辊能够压住隔膜卷的表面,因此压平辊对隔膜卷的两端进行压合,便可防止两端翘边。
14.与现有技术相比,本实用新型的有益效果是:
15.首先,通过在连接部上安装压辊件,压辊件内的压平辊能够在调节件的作用下接触到隔膜卷的表面,对其进行压合,且本技术中压平辊的长度与相应的隔膜卷相适应,使其能够完全对隔膜卷接触,大大降低了隔膜分切过程中产生的翘边、印痕、斜皱等不良现象,提高了隔膜分切合格率;
16.其次,本技术中压辊件通过其底部的开关磁铁座磁力安装在连接部上的,因此可通过控制开关磁铁座的开关状态便可直接固定于连接部上,无需使用固定底座进行固定安装,操作灵活方便;
17.最后,本技术可对于不同长度的隔膜卷,进行更换不同长度的压平辊与其匹配,操作方便快捷。
附图说明
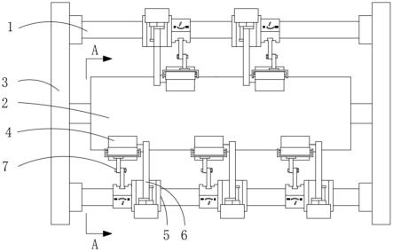
18.图1为本实用新型一种锂电池隔膜分切压辊装置的结构示意图;
19.图2为本实用新型图1中压辊件的结构示意图;
20.图3为本实用新型图1中的a-a面剖视图;
21.附图标记说明:1、支撑辊一;2、支撑辊二;3、机体;4、隔膜卷;5、连接部;6、收卷臂;7、压辊件;71、压平组件;711、压平辊外框架;712、压平辊;713、磁铁;72、调节件;721、支撑杆一;722、旋钮;723、支撑杆二;73、开关磁铁座。
具体实施方式
22.下面将结合本实用新型实施例中的附图,对本实用新型实施例中的技术方案进行清楚、完整地描述,显然,所描述的实施例仅仅是本实用新型一部分实施例,而不是全部的实施例。基于本实用新型中的实施例,本领域普通技术人员在没有做出创造性劳动前提下所获得的所有其他实施例,都属于本实用新型保护的范围。
23.参照图1,一种锂电池隔膜分切压辊装置,包括机体3和水平安装在机体3上的支撑辊一1和支撑辊二2,且支撑辊一1上套设有至少一个连接部5,需要注意的是,支撑辊一1包含有两组,其中两组支撑辊一1对称式安装在支撑辊二2的两侧。参照图3所示,每个连接部5上又通过收卷臂6可拆卸安装有隔膜卷4;
24.还包括有至少一组压辊件7,具体的,每组支撑辊一1上均安装至少一组连接部5,且每组连接部5上均安装有至少一组压辊件7;压辊件7用于压合隔膜卷4。
25.进一步的,参照图2,压辊件7包括有用来压合隔膜卷4的压平组件71、调节压平组件71位置的调节件72和开关磁铁座73,需要注意的是,开关磁铁座73为现有的比较成熟的技术,故对其原理和结构不做过多的赘述,本技术中的开关磁铁座73的型号选用pdok强力开关磁铁座;开关磁铁座73磁力安装在连接部5上;调节件72的一端与开关磁铁座73活动安装,另一端与压平组件71活动安装,因此调节件72可对压平组件71的位置进行调节。
26.在进一步的实施过程中,参照图2,本技术调节件72又包含有支撑杆一721、支撑杆二723和用来调节支撑杆一721和支撑杆二723之间角度的旋钮722,旋钮722与支撑杆一721和支撑杆723之间均为转动连接,因此用户可根据需要调节随意支撑杆一721和支撑杆二723之间的角度,进而间接调节调压平组件71的位置;为保证支撑杆一721和支撑杆723之间能够进行角度调节,现将支撑杆一721一端与磁铁713设成活动连接,支撑杆二723的另一端与开关磁铁座73也设成活动连接。
27.本技术中,参照图3,压平组件71将隔膜卷4压在支撑辊二2的外弧形面上。进一步的参照图2,压平组件71包含有压平辊外框架711、压平辊712和磁铁713,压平辊外框架711的剖面正投影呈“凹”型状结构(以图1和图2为参考标准),压平辊712通过其两端水平活动连接在压平辊外框架711的内凹部,即压平辊712转动连接在压平辊外框架711内,因此当隔膜卷4进行转动卷绕隔膜的时候,此时压平辊712也会随之进行转动;压平辊外框架711的底部还通过磁铁713与支撑杆一721活动连接。
28.参照图1,本技术压平辊712的长度长于隔膜卷4的长度,此时压平辊712能够完成压住隔膜卷4的表面,隔膜卷4的两边也被压平辊712压住,此时当隔膜卷绕到隔膜卷4外部的时候,此时便不会出现翘边、印痕、斜皱的情况。
29.本技术结构新颖,运行稳定,提高了隔膜分切合格率;具体的的操作原理如下:当隔膜基材根据需要裁切出所需宽度,然后将裁切后的隔膜条卷成隔膜料卷,方便后期制备电芯;即卷绕到隔膜卷4上,在此过程中,用户可通过压辊件7对隔膜卷4进行紧贴压合,如图3所示,将隔膜卷4压在支撑辊二2上,则此时当隔膜卷4卷绕的时候,压辊件7随时对隔膜卷4进行接触,从而能够防止隔膜卷4在卷绕的时候出现翘边、印痕、斜皱的情况。
30.具体的当压辊件7进行安装工作的时候,首先根据隔膜卷4的大小选用相应尺寸的压平辊712,即选用长度长与隔膜卷4长度的压平辊712,并安装到压平辊外框架711内,随后将开关磁铁座73安装在连接部5的一侧,然后可通过控制开关磁铁座73的开关状态便可直接固定于连接部5上,无需使用固定底座进行固定安装;随后用户通过旋钮722来调节支撑杆一721和支撑杆二723之间的角度,进而调节压平辊712的位置,使其能够将隔膜卷4压在支撑辊二2上,则当隔膜卷4转动的时候,支撑辊二2和压平辊712也会随之转动;需要注意的是,用户在使用的时候,由于位于不同支撑辊一1上的隔膜卷4是对称分布的(如图3所示),因此位于支撑辊二2两侧的不同隔膜卷4的转动方向和转动速率是相同的,此时支撑辊二2也随之进行转动。
31.虽然本说明书按照实施方式加以描述,但并非每个实施方式仅包含一个独立的技术方案,说明书的这种叙述方式仅仅是为清楚起见,本领域技术人员应当将说明书作为一个整体,各实施例中的技术方案也可以经适当组合,形成本领域技术人员可以理解的其他实施方式。
32.故以上所述仅为本技术的较佳实施例,并非用来限定本技术的实施范围;即凡依
本技术的权利要求范围所做的各种等同变换,均为本技术权利要求的保护范围。
技术特征:
1.一种锂电池隔膜分切压辊装置,包括机体(3)和水平安装在机体(3)上的支撑辊一(1)和支撑辊二(2),且支撑辊一(1)上套设有至少一个连接部(5),每个连接部(5)上又通过收卷臂(6)可拆卸安装有隔膜卷(4),其特征在于:还包括有至少一组压辊件(7),所述压辊件(7)用于压合所述隔膜卷(4);所述压辊件(7)包括有用来压合隔膜卷(4)的压平组件(71)、调节压平组件(71)位置的调节件(72)和开关磁铁座(73);所述开关磁铁座(73)磁力安装在连接部(5)上;所述调节件(72)的一端与开关磁铁座(73)安装、另一端与压平组件(71)安装。2.根据权利要求1所述的一种锂电池隔膜分切压辊装置,其特征在于:所述支撑辊一(1)包含有两组,其中两组支撑辊一(1)对称式安装在支撑辊二(2)的两侧;每组所述支撑辊一(1)上均安装至少一组连接部(5),且每组连接部(5)上均安装有至少一组压辊件(7)。3.根据权利要求1所述的一种锂电池隔膜分切压辊装置,其特征在于:所述调节件(72)又包含有支撑杆一(721)、支撑杆二(723)和用来调节支撑杆一(721)和支撑杆二(723)之间角度的旋钮(722),所述支撑杆一(721)一端与磁铁(713)活动连接、另一端通过旋钮(722)与所述支撑杆二(723)的一端转动连接;所述支撑杆二(723)的另一端与开关磁铁座(73)活动连接。4.根据权利要求1所述的一种锂电池隔膜分切压辊装置,其特征在于:所述压平组件(71)将隔膜卷(4)压在所述支撑辊二(2)的外弧形面上。5.根据权利要求1所述的一种锂电池隔膜分切压辊装置,其特征在于:所述压平组件(71)包含有压平辊外框架(711)、压平辊(712)和磁铁(713),所述压平辊外框架(711)的剖面正投影呈“凹”型状结构,所述压平辊(712)通过其两端水平活动连接在压平辊外框架(711)的内凹部;所述压平辊外框架(711)的底部通过磁铁(713)与调节件(72)活动连接。6.根据权利要求5所述的一种锂电池隔膜分切压辊装置,其特征在于:所述压平辊(712)的长度大于隔膜卷(4)的长度,即压平辊(712)能够压住隔膜卷(4)的表面。
技术总结
本实用新型公开了一种锂电池隔膜分切压辊装置,包括机体和水平安装在机体上的支撑辊一和支撑辊二,其中支撑辊二活动安装在机体上,支撑辊一上套设有至少一个连接部,每个连接部上又通过收卷臂可拆卸安装有隔膜卷,还包括有至少一组压辊件,所述压辊件用于压合所述隔膜卷,当压辊件接触到隔膜卷的时候,可对隔膜卷上的隔膜进行压合,防止翘边;本实用新型,通过在连接部上安装压辊件,压辊件内的压平辊能够在调节件的作用下接触到隔膜卷的表面,对其进行压合,且本申请中压平辊的长度与相应的隔膜卷相适应,使其能够完全对隔膜卷接触,大大降低了隔膜分切过程中产生的翘边、印痕、斜皱等不良现象,提高了隔膜分切合格率。提高了隔膜分切合格率。提高了隔膜分切合格率。
技术研发人员:王飞 王郗 林敬 胡明明
受保护的技术使用者:合肥星源新能源午夜精品免费视频有限公司
技术研发日:2022.06.16
技术公布日:2022/11/24