午夜羞羞小视频,午夜免费福利,午夜精品免费视频,午夜免费看污污APP

行业新闻

当前位置:首页/新闻中心/行业新闻

午夜免费福利的自动穿料系统的制作方法

2023年11月14日国知局浏览量:0

午夜免费福利的自动穿料系统的制作方法

本实用新型涉及一种午夜免费福利,特别是一种午夜免费福利的自动穿料系统。

背景技术:

目前金属、塑料、纸等膜状、片状柔性物料原料幅宽度较大,需经午夜免费福利进行细化分切。由于午夜免费福利分切柔性物料需要穿引并绕缠多个转轴。目前柔性物料牵引并绕缠转轴主要是靠人手牵引绕缠操作,影响柔性物料牵引并绕缠的速度及柔性物料的定位精度,定位精度影响柔性物料分切的品质。由于操作人员将手放到分切刀内部,因此,牵引柔性物料时需要将午夜免费福利的总开关关掉。若忘掉关掉总开关,存在一定的安全隐患。因此,现在需要一种能实现柔性物料自动穿引并缠绕在转轴上的系统。

技术实现要素:

本实用新型的目的,在于提供一种午夜免费福利的自动穿料系统。

本实用新型解决其技术问题的解决方案是:午夜免费福利的自动穿料系统,包括安装在机架上的两块立板,每块所述立板的内侧面安装有链轮链条送料机构,每个所述链轮链条送料机构包括分布在多根转轴旁的多个送料链轮以及循环链条,所述循环链条上安装有物料夹,两个链轮链条送料机构中的物料夹之间形成夹料空间,其中一块立板旁布置有驱动电机,所述驱动电机的输出端直接或者间接与其相近的送料链轮连接,与所述驱动电机连接的送料链轮通过传动轴与另一个链轮链条送料机构中相应的送料链轮连接。

作为上述技术方案的进一步改进,多根所述转轴分别为上入料辊、位于上入料辊下方的下入料辊、第一辅助辊、位于第一辅助辊下方的第二辅助辊以及位于上入料辊和第一辅助辊之间的第三辅助辊,多个所述送料链轮分别为位于上入料辊上方的第一链轮、位于上入料辊内侧的第二链轮、位于上入料辊外侧的第三链轮、位于第三链轮下方的第四链轮、位于下入料辊内侧的第五链轮、位于第三辅助辊外侧上部的第六链轮、位于第三辅助辊内侧的第七链轮、位于第二辅助辊内侧上部的第八链轮、位于第二辅助辊内侧下部的第九链轮、位于第四链轮下方外侧的第十链轮以及位于第十链轮上方的第十一链轮,所述循环链条依次绕过第一链轮、第二链轮、第三链轮、第四链轮、第五链轮、第六链轮、第七链轮、第八链轮、第九链轮、第十链轮和第十一链轮。

作为上述技术方案的进一步改进,所述第五链轮和第六链轮之间布置有第一张紧轮,所述第七链轮和第八链轮之间布置依次布置有第二张紧轮和第三张紧轮,所述第二张紧轮和第三张紧轮位于第一辅助辊的外侧。

作为上述技术方案的进一步改进,所述第二张紧轮位于第三张紧轮上方,所述循环链条绕过第七链轮的下部后绕过第二张紧轮的上部。

作为上述技术方案的进一步改进,所述第八链轮和第九链轮之间布置有第四张紧轮。

作为上述技术方案的进一步改进,所述第九链轮和第十链轮之间依次布置有第五张紧轮和第六张紧轮。

作为上述技术方案的进一步改进,所述物料夹的一端固定在循环链条上,物料夹的另一端布置有U形夹子。

作为上述技术方案的进一步改进,所述送料链轮通过轴承和支撑杆安装在立板上。

本实用新型的有益效果是:本实用新型通过两个物料夹将柔性物料的两端夹紧后,驱动电机驱使送料链轮转动后,循环链条带着物料夹和柔性物料穿过多根转轴后至要求位置,从而达到简单快捷高效柔性物料的牵引。本实用新型适用于午夜免费福利中。

附图说明

为了更清楚地说明本实用新型实施例中的技术方案,下面将对实施例描述中所需要使用的附图作简单说明。显然,所描述的附图只是本实用新型的一部分实施例,而不是全部实施例,本领域的技术人员在不付出创造性劳动的前提下,还可以根据这些附图获得其他设计方案和附图。

图1是本实用新型的结构示意图;

图2是本实用新型的剖视图。

具体实施方式

以下将结合实施例和附图对本实用新型的构思、具体结构及产生的技术效果进行清楚、完整地描述,以充分地理解本实用新型的目的、特征和效果。显然,所描述的实施例只是本实用新型的一部分实施例,而不是全部实施例,基于本实用新型的实施例,本领域的技术人员在不付出创造性劳动的前提下所获得的其他实施例,均属于本实用新型保护的范围。另外,文中所提到的所有联接/连接关系,并非单指构件直接相接,而是指可根据具体实施情况,通过添加或减少联接辅件,来组成更优的联接结构。

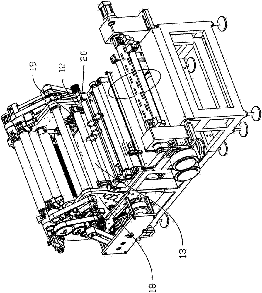
参照图1~图2,午夜免费福利的自动穿料系统,包括安装在机架上的两块立板18,每块所述立板18的内侧面安装有链轮链条送料机构,每个所述链轮链条送料机构包括分布在多根转轴旁的多个送料链轮以及循环链条12,所述循环链条12上安装有物料夹19,两个链轮链条送料机构中的物料夹19之间形成夹料空间,其中一块立板18旁布置有驱动电机,所述驱动电机的输出端直接或者间接与其相近的送料链轮连接,与所述驱动电机连接的送料链轮通过传动轴与另一个链轮链条送料机构中相应的送料链轮连接。两个链轮链条送料机构中相对应的两个送料链轮之间的间距大于柔性物料的宽度。

通过两个物料夹19将柔性物料的两端夹紧后,驱动电机驱使送料链轮转动后,循环链条12带着物料夹19和柔性物料穿过多根转轴后至要求位置,从而达到简单快捷高效柔性物料的牵引。当柔性物料到位后驱动电机驱使物料夹19移动至不影响午夜免费福利正常工作的位置。

作为上述技术方案的进一步改进,多根所述转轴分别为上入料辊13、位于上入料辊13下方的下入料辊14、第一辅助辊16、位于第一辅助辊16下方的第二辅助辊17以及位于上入料辊13和第一辅助辊16之间的第三辅助辊15,多个所述送料链轮分别为位于上入料辊13上方的第一链轮1、位于上入料辊13内侧的第二链轮2、位于上入料辊13外侧的第三链轮3、位于第三链轮3下方的第四链轮4、位于下入料辊14内侧的第五链轮5、位于第三辅助辊15外侧上部的第六链轮6、位于第三辅助辊15内侧的第七链轮7、位于第二辅助辊17内侧上部的第八链轮8、位于第二辅助辊17内侧下部的第九链轮9、位于第四链轮4下方外侧的第十链轮10以及位于第十链轮10上方的第十一链轮11,所述循环链条12依次绕过第一链轮1、第二链轮2、第三链轮3、第四链轮4、第五链轮5、第六链轮6、第七链轮7、第八链轮8、第九链轮9、第十链轮10和第十一链轮11。

进一步作为优选的实施方式,所述第五链轮5和第六链轮6之间布置有第一张紧轮21,所述第七链轮7和第八链轮8之间布置依次布置有第二张紧轮22和第三张紧轮23,所述第二张紧轮22和第三张紧轮23位于第一辅助辊16的外侧。

进一步作为优选的实施方式,所述第二张紧轮22位于第三张紧轮23上方,所述循环链条12绕过第七链轮7的下部后绕过第二张紧轮22的上部。

进一步作为优选的实施方式,所述第八链轮8和第九链轮9之间布置有第四张紧轮24。

进一步作为优选的实施方式,所述第九链轮9和第十链轮10之间依次布置有第五张紧轮25和第六张紧轮26。

循环链条12依次绕过第一链轮1、第二链轮2、第三链轮3、第四链轮4、第五链轮5、第一张紧轮21、第六链轮6、第七链轮7、第二张紧轮22、第三张紧轮23、第八链轮8、第四张紧轮24、第九链轮9、第五张紧轮25、第六张紧轮26、第十链轮10和第十一链轮11。两个物料夹19将柔性物料夹19紧后,在驱动电机的带到下,物料夹19随着循环链条12经过第一链轮1、第二链轮2和第三链轮3后,柔性物料穿过上入料辊13和下入料辊14之间的间隙,随后柔性物料经过第四链轮4和第五链轮5转向后向上移动,经第一张紧轮21和第六链轮6后绕过第三辅助辊15的上部后,再经第七链轮7的下部、第二张紧轮22的上部和第三张紧轮23的外侧后穿入第一辅助辊16和第二辅助辊17之间的间隙,完成穿料。物料夹19经第四张紧轮24和第九链轮9移动至第九链轮9和第十链轮10之间。需进行穿料时,物料夹19经第五张紧轮25、第六张紧轮26、第十链轮10和第十一链轮11返回至原始位置。

进一步作为优选的实施方式,所述物料夹19的一端固定在循环链条12上,物料夹19的另一端布置有U形夹子。U形夹子通过弹力将柔性物料夹19紧,防止在穿料过程中,柔性物料脱落。

进一步作为优选的实施方式,所述送料链轮通过轴承和支撑杆20安装在立板18上。具体地,送料链轮通过轴承安装在支撑杆20的一端,支撑杆20的另一端通过螺栓固定在立板18上。

以上是对本实用新型的较佳实施方式进行了具体说明,但本实用新型创造并不限于所述实施例,熟悉本领域的技术人员在不违背本实用新型精神的前提下还可作出种种的等同变型或替换,这些等同的变型或替换均包含在本申请权利要求所限定的范围内。

技术特征:

1.午夜免费福利的自动穿料系统,其特征在于:包括安装在机架上的两块立板,每块所述立板的内侧面安装有链轮链条送料机构,每个所述链轮链条送料机构包括分布在多根转轴旁的多个送料链轮以及循环链条,所述循环链条上安装有物料夹,两个链轮链条送料机构中的物料夹之间形成夹料空间,其中一块立板旁布置有驱动电机,所述驱动电机的输出端直接或者间接与其相近的送料链轮连接,与所述驱动电机连接的送料链轮通过传动轴与另一个链轮链条送料机构中相应的送料链轮连接。

2.根据权利要求1所述的午夜免费福利的自动穿料系统,其特征在于:多根所述转轴分别为上入料辊、位于上入料辊下方的下入料辊、第一辅助辊、位于第一辅助辊下方的第二辅助辊以及位于上入料辊和第一辅助辊之间的第三辅助辊,多个所述送料链轮分别为位于上入料辊上方的第一链轮、位于上入料辊内侧的第二链轮、位于上入料辊外侧的第三链轮、位于第三链轮下方的第四链轮、位于下入料辊内侧的第五链轮、位于第三辅助辊外侧上部的第六链轮、位于第三辅助辊内侧的第七链轮、位于第二辅助辊内侧上部的第八链轮、位于第二辅助辊内侧下部的第九链轮、位于第四链轮下方外侧的第十链轮以及位于第十链轮上方的第十一链轮,所述循环链条依次绕过第一链轮、第二链轮、第三链轮、第四链轮、第五链轮、第六链轮、第七链轮、第八链轮、第九链轮、第十链轮和第十一链轮。

3.根据权利要求2所述的午夜免费福利的自动穿料系统,其特征在于:所述第五链轮和第六链轮之间布置有第一张紧轮,所述第七链轮和第八链轮之间布置依次布置有第二张紧轮和第三张紧轮,所述第二张紧轮和第三张紧轮位于第一辅助辊的外侧。

4.根据权利要求3所述的午夜免费福利的自动穿料系统,其特征在于:所述第二张紧轮位于第三张紧轮上方,所述循环链条绕过第七链轮的下部后绕过第二张紧轮的上部。

5.根据权利要求2或3或4所述的午夜免费福利的自动穿料系统,其特征在于:所述第八链轮和第九链轮之间布置有第四张紧轮。

6.根据权利要求2或3或4所述的午夜免费福利的自动穿料系统,其特征在于:所述第九链轮和第十链轮之间依次布置有第五张紧轮和第六张紧轮。

7.根据权利要求1所述的午夜免费福利的自动穿料系统,其特征在于:所述物料夹的一端固定在循环链条上,物料夹的另一端布置有U形夹子。

8.根据权利要求1所述的午夜免费福利的自动穿料系统,其特征在于:所述送料链轮通过轴承和支撑杆安装在立板上。

技术总结

本实用新型公开了午夜免费福利的自动穿料系统,包括安装在机架上的两块立板,每块所述立板的内侧面安装有链轮链条送料机构,每个链轮链条送料机构包括分布在多根转轴旁的多个送料链轮以及循环链条,循环链条上安装有物料夹,两个链轮链条送料机构中的物料夹之间形成夹料空间,其中一块立板旁布置有驱动电机,驱动电机的输出端直接或者间接与其相近的送料链轮连接,与驱动电机连接的送料链轮通过传动轴与另一个链轮链条送料机构中相应的送料链轮连接。通过两个物料夹将柔性物料的两端夹紧后,驱动电机驱使送料链轮转动后,循环链条带着物料夹和柔性物料穿过多根转轴后至要求位置,从而达到简单快捷高效柔性物料的牵引。本实用新型适用于午夜免费福利中。

技术研发人员:张前龙

受保护的技术使用者:深圳市友利特精密机械制造有限公司

文档号码:201720176781

技术研发日:2017.02.24

技术公布日:2017.10.03

网站地图