服务热线
180-5003-0233

专利名称:午夜免费福利的收卷装置的制作方法
技术领域:
本实用新型属于午夜免费福利技术领域,尤其涉及一种午夜免费福利的收卷装置。
背景技术:
现有午夜免费福利在收卷过程中,高速运转的膜料容易将空气夹带卷入卷材中,为了压挤这些空气,现有技术中,采用摆臂式的压辊压在卷材上,以及时排挤空气。但上述结构存在以下问题工作过程中随着卷材直径不断增大,压辊必须随着摆臂缓慢摆动,压辊压挤卷材角度的不断变化,收卷压力难以精确控制,影响收卷质量稳定。也正是由于上述原因,限制了现有午夜免费福利收卷速度一般只能控制在150米/分钟以下,如果超过这个速度,则会由于卷入太多空气而形成乱流现象,严重影响收卷质量。
发明内容·[0003]本实用新型的目的是针对现有技术的上述不足而提供一种午夜免费福利的收卷装置,它可以使午夜免费福利在高速收卷的情况下保持收卷质量稳定。为实现上述目的,本实用新型午夜免费福利的收卷装置包括机架,机架上安装有卷取辊和压辊,其主要特点在于,在压辊的左右两侧分别设有可推动压辊前后直线移动的推压机构;所述卷取辊的中心轴线刚好位于压辊中心轴线前后移动方向的正前方。较好的是,所述每套推压机构包括滑动块、水平轨道、推压气缸,滑动块可前后滑动地安装在水平轨道上,滑动块连接推压气缸;所述压辊的两端分别安装在对应滑动块上。更好的是,所述滑动块为齿条,每根齿条对应啮接有齿轮,两侧的齿轮、齿条形状相同;两侧的齿轮同轴固定连接在一起。这样,两齿轮同步转动,可以保证两侧的齿条精确地同步前后移动,保证压辊的两端同步移动。收卷装置还设有收卷转盘,收卷转盘可转动地安装在机架上,并设有用于固定收卷转盘转动角度的定位机构;所述卷取棍位于收卷转盘上部的偏心位置,在收卷转盘的下部还设有备用卷取辊,备用卷取辊和卷取辊分别位于收卷转盘中心转轴的相对两侧。在收卷转盘同时有安装卷取辊和备用卷取辊,是为了在卷取辊卷取完成后,收卷转盘立即转动,使原来的备用卷取辊立即转动到收卷转盘上部的偏心位置(即卷取位置)继续卷取工作,而原来的卷取辊则同时转动到收卷转盘下部的偏心位置(即卸料位置)进行卸料工作,这样,卸料与卷取可以同时进行,避免卸料时不能进行卷取而影响整条生产线。可见,在设有收卷转盘的情况下,所谓“卷取辊”和“备用卷取辊”是根据它们的位置进行区分,当“卷取辊”跟随转盘转动到卸料位置时,它就变成了“备用卷取辊”,而同时,原来的“备用卷取辊”就转动到工作位置并变成为了 “卷取辊”。本实用新型具有以下优点和效果I、由于所述卷取辊的中心轴线刚好位于压辊中心轴线前后移动方向的正前方,而且压辊的移动方式采用水平前后直线移动的方式,这样,收卷时在卷材直径不断增大过程中,不管压辊向后平移到什么位置,压辊中心轴线都保持位于卷取辊的中心轴线的正后方,都可以使压辊压挤卷取辊的角度一直保持不变,使收卷压力一直保持均匀,避免形成乱流现象,保证收卷质量。2、本实用新型由于采用压辊与推压气缸连接,而卷取辊则不与推压气缸连接,这样,才使卷取辊的位置可在收卷转盘绕上收卷转盘中心轴转动,以便卷取辊和备用卷取辊进行角色互换。
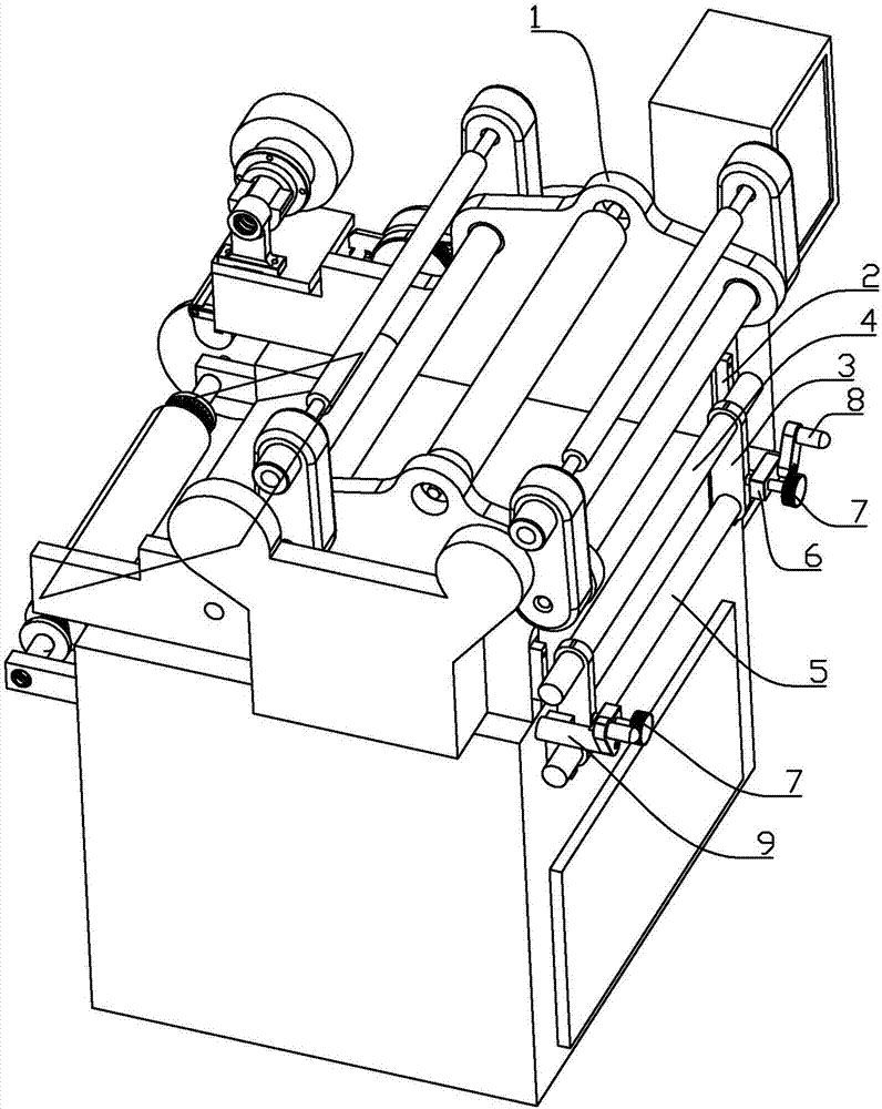
图I是本实用新型一种实施例的工作使用状态示意图。图2是图I中午夜免费福利收卷装置的结构原理示意图。图3是图2中所示结构的俯视示意图。图4是推压气缸活塞杆、齿条移动水平轨道线、卷取辊、压辊四者的几何位置示意图。
具体实施方式
为了使本实用新型的目的,技术方案及优点更加清楚明白,
以下结合附图及实施例,对本实用新型进行进一步详细说明。应当理解,此处所描述的具体实施例仅仅用以解释本实用新型,并不用于限定本实用新型。图I所示的午夜免费福利包括放卷机构I、分切刀2以及两套收卷装置。图I、图2、图3所示,每套收卷装置在机架上安装有卷取辊3和压辊4,在压辊4的左右两侧分别设有可推动压辊前后水平直线移动的推压机构;所述每套推压机构包括齿条5、齿轮6、水平轨道、推压气缸8,齿条5与齿轮6啮接,齿条5可前后滑动地安装在水平轨道上,齿条5连接推压气缸8的活塞杆81 ;压辊4的两端分别安装支承在对应齿条5上。每根压辊两侧的齿轮6形状相同,两侧的齿条5形状也相同;两侧的齿轮6通过一根转轴61固定连接在一起。图2、图4所示,卷取辊3的中心轴线刚好位于压辊4中心轴线前后移动方向的正前方(图4中箭头方向表示齿条沿水平轨道向前运动的方向,压辊4在齿条带动下会同样向前移动)。图4所示,从竖向剖面上看,卷取辊3的圆心为02,压辊4的圆心为01,齿条5移动的水平轨道线为AB两点连线,推压气缸活塞杆81中心轴线m与直线AB、直线0102三者平行。这样,不管卷取辊3卷取的卷材10半径如何变化,不管压辊圆心01的位置如何前后位移,压辊4中心轴线都保持位于卷取辊3的中心轴线的正后方,推压气缸活塞杆中心轴线m与直线AB、直线0102三者都一直保持平行,齿条5对压辊中心01的推力作用线一直保持通过卷取辊的圆心02,这样,使压辊4压在卷取辊3上的作用力角度一直保持不变,使收卷压力一直保持均匀,保证收卷质量。图I、图2所示,该实施例的收卷装置还设有收卷转盘9,收卷转盘9可转动地安装在机架上,并设有用于固定收卷转盘转动角度的定位机构,该定位机构包括位于收卷转盘边缘的两个凹位91,以及一根可以压入其中一个凹位的压杆92,两个凹位91关于收卷转盘9的圆心对称布置;在收卷转盘的两个偏心位置分别安装有一根卷取辊3和一根备用卷取辊31,备用卷取辊31和卷取辊3分别位于收卷转盘中心转轴的相对两侧,也同样是关于收卷转盘的圆心对称布置。当收卷转盘9转动,使压杆92对准并压入其中一个凹位91,就将收卷转盘的转动角度暂时固定下来,这时位于收卷转盘上部偏心位置(即卷取位置)的为卷取辊,而位于收卷转盘的下部偏心位置(即卸料位置)的为备用卷取辊。当位于上面的卷取辊卷取完成后,可以将收卷转盘转动180度,使压杆对准并压入另一个凹位91,将收卷转盘在另一种状态下重新固定下来,使原来的“卷取辊”转动到卸料位置,变成了“备用卷取辊”;而同时原来的“备用卷取辊”就转动到卷取位置并变成为了 “卷取辊”。本实用新型尚有多种实施方式,凡采用等同变换或者等效变换而形成的所有技术方案,均落在本实用新型的保护范围。·
权利要求1.一种午夜免费福利的收卷装置,包括机架,机架上安装有卷取辊和压辊,其特征在于在压辊的左右两侧分别设有可推动压辊前后直线移动的推压机构;所述卷取辊的中心轴线刚好位于压棍中心轴线前后移动方向的正前方。
2.根据权利要求I所述的午夜免费福利的收卷装置,其特征在于所述每套推压机构包括滑动块、水平轨道、推压气缸,滑动块可前后滑动地安装在水平轨道上,滑动块连接推压气缸;所述压辊的两端分别安装在对应滑动块上。
3.根据权利要求2所述的午夜免费福利的收卷装置,其特征在于所述滑动块为齿条,每根齿条对应啮接有齿轮,两侧的齿轮、齿条形状相同;两侧的齿轮同轴固定连接在一起。
4.根据权利要求1、2或3所述的午夜免费福利的收卷装置,其特征在于收卷装置还设有收卷转盘,收卷转盘可转动地安装在机架上,并设有用于固定收卷转盘转动角度的定位机构;所述卷取辊位于收卷转盘上部的偏心位置,在收卷转盘的下部还设有备用卷取辊,备用卷取辊和卷取辊分别位于收卷转盘中心转轴的相对两侧。
专利摘要一种午夜免费福利的收卷装置,包括机架,机架上安装有卷取辊和压辊,其主要特点在于,在压辊的左右两侧分别设有可推动压辊前后直线移动的推压机构;所述卷取辊的中心轴线刚好位于压辊中心轴线前后移动方向的正前方;所述每套推压机构包括滑动块、水平轨道、推压气缸,滑动块可前后滑动地安装在水平轨道上,滑动块连接推压气缸;所述压辊的两端分别安装在对应滑动块上。本实用新型可以使午夜免费福利在高速收卷的情况下保持收卷质量稳定,使收卷压力一直保持均匀,避免形成乱流现象。
文档编号B65H19/30GK202518848SQ20122018171
公开日2012年11月7日 申请日期2012年4月24日 优先权日2012年4月24日
发明者上官跃峰, 熊亚东, 罗伟雄 申请人:深圳坤弘印务有限公司