服务热线
180-5003-0233

本实用新型涉及午夜免费福利技术领域,具体为一种PVC膜生产用可自动收膜的午夜免费福利。
背景技术:
现有的PVC膜生产过程中需要对PVC膜进行切割,在午夜免费福利进行切割时,午夜免费福利将PVC膜切割成所需宽度然后将切割后的PVC膜进行卷取,现有的PVC膜在卷取的过程中可能出现卷轴松动的问题,午夜免费福利停止调整,造成工作效率低等问题,为此特提出一种PVC膜生产用可自动收膜的午夜免费福利。
技术实现要素:
本实用新型的目的在于提供一种PVC膜生产用可自动收膜的午夜免费福利,以解决上述背景技术中提出的问题。
为实现上述目的,本实用新型提供如下技术方案:一种PVC膜生产用可自动收膜的午夜免费福利,包括支撑座,所述支撑座的上表面固定连接有两个支撑板,两个所述支撑板之间转动连接有第一转杆,所述支撑板的外侧壁安装有电机,所述电机的中心轴与第一转杆相固定连接,所述第一转杆的外侧壁开设有条形通孔,所述第一转杆的外侧壁滑动连接有滑环,所述滑环的内侧端固定连接有滑杆,所述滑杆位于条形通孔内,所述滑杆的外侧壁安装有卡接装置,所述滑环的外侧端两侧开设有环形凹槽,所述电机的输入端与外部电源电连接。
优选的,两个所述支撑板之间转动连接有放卷轴,两个所述支撑板之间转动连接有两个辅助轮,两个所述支撑板之间固定连接有固定板,所述固定板的下表面安装有切刀,所述切刀位于两个辅助轮的上端。
优选的,两个所述支撑板的右侧壁固定连接有支架,两个所述支架之间转动连接有第二转杆,所述第二转杆与第一转杆的大小及结构均相同,所述电机的中心轴固定连接有第一传动轮,所述第二转杆的外侧壁固定连接有第二传动轮,所述第一传动轮和第二传动轮之间转动连接有传送带。
优选的,所述卡接装置包括所述滑杆的外侧壁固定连接的螺母,所述螺母的内侧壁螺接有第一螺杆,所述第一螺杆的外侧壁套接有固定环,所述固定环的外侧壁固定连接有L形杆,所述L形杆的外侧壁套接有转动环,所述转动环的外侧壁转动连接有第二螺杆,所述滑环的外侧壁开设有螺纹孔,所述第二螺杆的外侧壁与螺纹孔相螺接。
优选的,两个所述辅助轮与两个支撑板的接触处固定连接有轴承。
优选的,所述L形杆的外侧壁开设有防滑纹。
与现有技术相比,本实用新型的有益效果是:一种PVC膜生产用可自动收膜的午夜免费福利,通过滑环、滑杆、电机、第一转杆和卡接装置的配合使用,将切割后的PVC膜进行卷取,滑环的外壁套有PVC膜卷轴,通过卡接装置将PVC膜卷轴固定,避免PVC膜卷轴的松动的问题,滑杆在条形通孔内滑动,限制滑环的同轴转动,通过第二转杆、第一传动轮、第二传动轮和传送带的配合使用,可以增加分割后PVC膜卷轴的数量,增加工作效率,避免同一PVC膜重复切割。
附图说明
图1为本实用新型第一转杆示意图。
图2为本实用新型结构示意图。
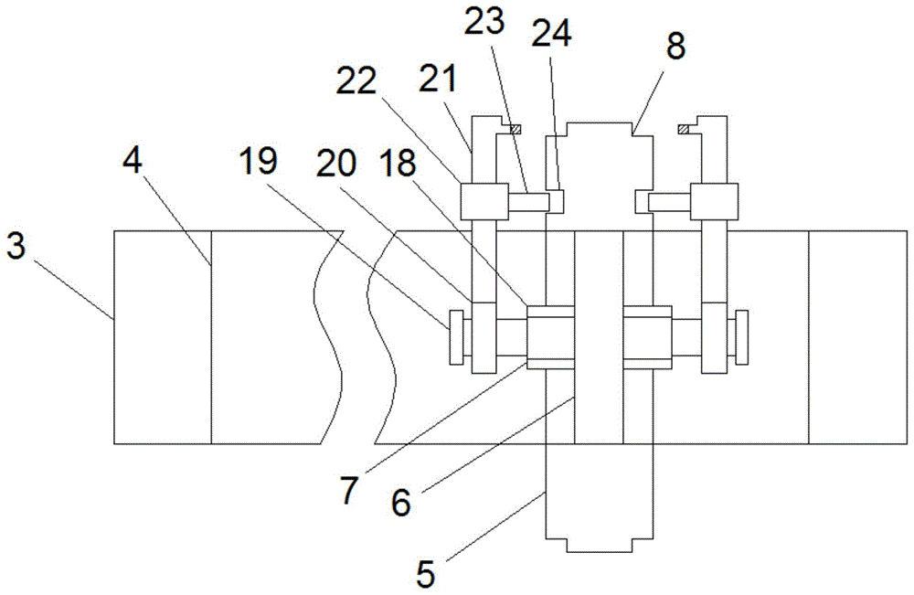
图中:1支撑座、2支撑板、3第一转杆、4条形通孔、5滑环、6滑杆、7卡接装置、8环形凹槽、9放卷轴、10辅助轮、11固定板、12切刀、13支架、14第二转杆、15第一传动轮、16第二传动轮、17传送带、18螺母、19第一螺杆、20固定环、21 L形杆、22转动环、23第二螺杆、24螺纹孔、25电机。
具体实施方式
下面将结合本实用新型实施例中的附图,对本实用新型实施例中的技术方案进行清楚、完整地描述,显然,所描述的实施例仅仅是本实用新型一部分实施例,而不是全部的实施例。基于本实用新型中的实施例,本领域普通技术人员在没有做出创造性劳动前提下所获得的所有其他实施例,都属于本实用新型保护的范围。
请参阅图1-2,本实用新型提供一种技术方案:一种PVC膜生产用可自动收膜的午夜免费福利,包括支撑座1,支撑座1的上表面固定连接有两个支撑板2,两个支撑板2之间转动连接有第一转杆3,支撑板2的外侧壁安装有电机25,电机25的中心轴与第一转杆3相固定连接,第一转杆3的外侧壁开设有条形通孔4,第一转杆3的外侧壁滑动连接有滑环5,滑环5的数量至少为两个,滑环5的内侧端固定连接有滑杆6,滑杆6位于条形通孔4内,滑杆6的外侧壁安装有卡接装置7,滑环5的外侧端两侧开设有环形凹槽8,电机25的输入端与外部电源电连接,当滑环5的外侧壁套接有PVC膜的卷轴时,PVC膜的卷轴与两个环形凹槽8的内侧端重合,卡接装置7卡在环形凹槽8内,卡接装置7与PVC膜的卷轴外壁紧密贴合,将PVC膜的卷轴卡在滑环5的外壁。
具体而言,两个支撑板2之间转动连接有放卷轴9,两个支撑板2之间转动连接有两个辅助轮10,两个支撑板2之间固定连接有固定板11,固定板11的下表面安装有切刀12,切刀12位于两个辅助轮10的上端,将未切割的PVC膜的卷轴套在放卷轴9上,然后将PVC膜绕在两个辅助轮10的上端缠绕在转换上固定的PVC膜卷轴上,两个辅助轮10到支撑座1的上表面的距离相同,调节切刀12在固定板11上的位置,进而调整切刀12切割PVC膜的宽度。
具体而言,两个支撑板2的右侧壁固定连接有支架13,两个支架13之间转动连接有第二转杆14,第二转杆14与第一转杆3的大小及结构均相同,电机4的中心轴固定连接有第一传动轮15,第二转杆14的外侧壁固定连接有第二传动轮16,第一传动轮15和第二传动轮16之间转动连接有传送带17,通过电机4的转动,第一传动轮15通过传送带17带动第二传动轮16转动,使第二转杆14与第一转杆3同步转动,实现多个切割后的PVC膜卷轴同步转动,增加工作效率。
具体而言,卡接装置7包括滑杆6的外侧壁固定连接的螺母18,螺母18的内侧壁螺接有第一螺杆19,第一螺杆19的外侧壁套接有固定环20,固定环20的外侧壁固定连接有L形杆21,L形杆的数量为两个,两个L形杆的位置相对,L形杆21的外侧壁套接有转动环22,转动环22的外侧壁转动连接有第二螺杆23,滑环5的外侧壁开设有螺纹孔24,第二螺杆23的外侧壁与螺纹孔24相螺接,根据PVC膜切割的宽度选择适当宽度的PVC膜卷轴,然后将PVC膜卷轴套在滑环5上,转动L形杆21,使L形杆21的对准环形凹槽8,然后转动转动环22,将第二螺杆23螺接在螺纹孔24内,拧动第一螺杆19,使固定环20与第一螺杆19紧密接触,将固定环20固定,直至L形杆21卡在环形凹槽8内,L形杆21与PVC膜卷轴紧密接触,两个L形杆21将PVC膜卷轴固定在滑环5上,滑动滑环5调节在第一转杆3上的位置。
具体而言,两个辅助轮10与两个支撑板2的接触处固定连接有轴承,减少辅助轮10与支撑板2之间的摩擦。
具体而言,L形杆21的外侧壁开设有防滑纹,增加L形杆21与PVC膜卷轴的摩擦力。
工作原理:首先将PVC膜卷轴套在放卷轴9上,根据PVC膜切割的宽度选择适当宽度的PVC膜卷轴,然后将PVC膜卷轴套在滑环5上,转动L形杆21,使L形杆21的对准环形凹槽8,然后转动转动环22,将第二螺杆23螺接在螺纹孔24内,拧动第一螺杆19,使固定环20与第一螺杆19紧密接触,将固定环20固定,直至L形杆21卡在环形凹槽8内,L形杆21与PVC膜卷轴紧密接触,两个L形杆21将PVC膜卷轴固定在滑环5上,滑动滑环5调节在第一转杆3和第二转杆14上的位置,将PVC膜绕过两个辅助轮10的上端固定在滑环5上的PVC膜卷轴上,调节切刀12的位置,然后启动电机25,电机25带动第一转杆3和第二转杆14转动,使放卷轴9上的PVC膜进行传动,通过起到将PVC膜切割,切割后的PVC膜缠绕在滑环5上的PVC膜卷轴上。
尽管已经示出和描述了本实用新型的实施例,对于本领域的普通技术人员而言,可以理解在不脱离本实用新型的原理和精神的情况下可以对这些实施例进行多种变化、修改、替换和变型,本实用新型的范围由所附权利要求及其等同物限定。
技术特征:
1.一种PVC膜生产用可自动收膜的午夜免费福利,其特征在于:包括支撑座,所述支撑座的上表面固定连接有两个支撑板,两个所述支撑板之间转动连接有第一转杆,所述支撑板的外侧壁安装有电机,所述电机的中心轴与第一转杆相固定连接,所述第一转杆的外侧壁开设有条形通孔,所述第一转杆的外侧壁滑动连接有滑环,所述滑环的内侧端固定连接有滑杆,所述滑杆位于条形通孔内,所述滑杆的外侧壁安装有卡接装置,所述滑环的外侧端两侧开设有环形凹槽,所述电机的输入端与外部电源电连接。
2.根据权利要求1所述的一种PVC膜生产用可自动收膜的午夜免费福利,其特征在于:两个所述支撑板之间转动连接有放卷轴,两个所述支撑板之间转动连接有两个辅助轮,两个所述支撑板之间固定连接有固定板,所述固定板的下表面安装有切刀,所述切刀位于两个辅助轮的上端。
3.根据权利要求1所述的一种PVC膜生产用可自动收膜的午夜免费福利,其特征在于:两个所述支撑板的右侧壁固定连接有支架,两个所述支架之间转动连接有第二转杆,所述第二转杆与第一转杆的大小及结构均相同,所述电机的中心轴固定连接有第一传动轮,所述第二转杆的外侧壁固定连接有第二传动轮,所述第一传动轮和第二传动轮之间转动连接有传送带。
4.根据权利要求1所述的一种PVC膜生产用可自动收膜的午夜免费福利,其特征在于:所述卡接装置包括所述滑杆的外侧壁固定连接的螺母,所述螺母的内侧壁螺接有第一螺杆,所述第一螺杆的外侧壁套接有固定环,所述固定环的外侧壁固定连接有L形杆,所述L形杆的外侧壁套接有转动环,所述转动环的外侧壁转动连接有第二螺杆,所述滑环的外侧壁开设有螺纹孔,所述第二螺杆的外侧壁与螺纹孔相螺接。
5.根据权利要求2所述的一种PVC膜生产用可自动收膜的午夜免费福利,其特征在于:两个所述辅助轮与两个支撑板的接触处固定连接有轴承。
6.根据权利要求4所述的一种PVC膜生产用可自动收膜的午夜免费福利,其特征在于:所述L形杆的外侧壁开设有防滑纹。
技术总结
本实用新型公开了一种PVC膜生产用可自动收膜的午夜免费福利,包括支撑座,支撑座的上表面固定连接有两个支撑板,两个支撑板之间转动连接有第一转杆,支撑板的外侧壁安装有电机,电机的中心轴与第一转杆相固定连接,第一转杆的外侧壁开设有条形通孔,通过滑环、滑杆、电机、第一转杆和卡接装置的配合使用,将切割后的PVC膜进行卷取,滑环的外壁套有PVC膜卷轴,通过卡接装置将PVC膜卷轴固定,避免PVC膜卷轴的松动的问题,滑杆在条形通孔内滑动,限制滑环的同轴转动,通过第二转杆、第一传动轮、第二传动轮和传送带的配合使用,可以增加分割后PVC膜卷轴的数量,增加工作效率,避免同一PVC膜重复切割。
技术研发人员:董春;姜贵;刘海涛
受保护的技术使用者:江苏增强新午夜精品免费视频科技有限公司
技术研发日:2018.05.10
技术公布日:2019.05.21